Foro de discusión, ayuda y aprendizaje de electricidad doméstica e industrial, documentación técnica, averías, cursos, normativa, software técnico, bajo consumo, reparación de electrodomésticos, instalaciones singulares de imagen y sonido..

Bienvenido a foroelectricidad.com.

Somos una comunidad de profesionales y aficionados al mundo de la electricidad.

Para participar, puedes registrarte en la comunidad y en pocos clicks podrás disfrutar de todas las características del foro. También te recomendamos que te pases por las Normas del foro, y si tienes alguna duda del funcionamiento del mismo puedes consultar el FAQ o ponerte en contacto con nosotros.

El Equipo de Foroelectricidad.com

 
overclocking83
Usuario novato
Usuario novato
Autor del tema
Mensajes: 21
Registrado: 02 Jul 2011, 14:35

CONEXIONES CUADRO DOMOTICO

25 Jul 2011, 13:07

Hola,

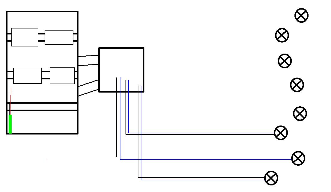
He echado la instalacion domotica en casa, y os agradeceria si me dijerais como conexionar los elementos de cuadro, la fuente de alimentacion no tengo duda, conexion de bus + y - por arriba puenteado con todos los elementos, y como alimentacion fase, tierra y neutro por debajo, y mi duda es con todos los demas actuadores. Deciros que tengo una caja de registro justo al lado del cuadro domotico con todas las lineas de iluminacion, Tierra fase y neutro de 1,5, los actuadores son solamente para la iluminacion. Algunos son de regulacion 250w, otro para 150w y los otros 2 simplemente entradas binarias de 10A.

cada punto de iluminacion viene directamente desde la lampara a la caja de registro T, F y N.

Todos los pulsadores de la casa son KNX asi como los actuadores tambien.

Aqui os dejo los elementos de cuadro.

Muchas gracias de antemano.
Adjuntos
CUADRO  KNX.jpg


 
Avatar de Usuario
Frioelect
Usuario experto
Usuario experto
Mensajes: 812
Registrado: 11 Dic 2010, 03:44
Ubicación: Madrid
Ubicación: Madrid
Contactar:

Re: CONEXIONES CUADRO DOMOTICO

25 Jul 2011, 15:15

como conectar los actuadores???
Pues depende el tipo, normalmente si son knx se conectan al bus directamente en paralelo en estrella o combinados, el bus knx ya lleva la alimentacion en el mismo bus.

Luego tendras que programarlos para que actuen con su salida o salidas correspondientes


 
overclocking83
Usuario novato
Usuario novato
Autor del tema
Mensajes: 21
Registrado: 02 Jul 2011, 14:35

Re: CONEXIONES CUADRO DOMOTICO

25 Jul 2011, 15:52

Frioelect escribió:
como conectar los actuadores???
Pues depende el tipo, normalmente si son knx se conectan al bus directamente en paralelo en estrella o combinados, el bus knx ya lleva la alimentacion en el mismo bus.

Luego tendras que programarlos para que actuen con su salida o salidas correspondientes



-La conexion KNX es lo mas sencillo, eso lo tengo claro, la duda que tengo es en cuanto a l cableau de la salida de los actuadores, si amplias la foto se pueden ver que cada actuador tiene diferente salida...


 
Luis-Ortiz
Usuario novato
Usuario novato
Mensajes: 2
Registrado: 25 Jul 2011, 18:49

Re: CONEXIONES CUADRO DOMOTICO

25 Jul 2011, 18:59

Lo mejor es que contactes con algún profesional que te asesore sobre el tema. Entra en http://www.servidemanda.com, deja tu pregunta y profesionales de la domotica te responderan gratutitamente y sin compromiso

Un saludo


 
Avatar de Usuario
franbeja
Usuario novato
Usuario novato
Mensajes: 36
Registrado: 28 Dic 2010, 18:27
Ubicación: Jerez de la Frontera, Cádiz

Re: CONEXIONES CUADRO DOMOTICO

25 Jul 2011, 21:50

A ver si en estos libros encuentras algo de información ---> http://www.plcmadrid.es/index.php?globa ... &a=0&nf=si


 
Avatar de Usuario
juganett
Usuario experto
Usuario experto
Mensajes: 929
Registrado: 18 Abr 2011, 07:31
Ubicación: Denia
Contactar:

Re: CONEXIONES CUADRO DOMOTICO

25 Jul 2011, 22:12

Aunque no he trabajado con la marca schneider en el tema del KNX mas o menos puedo imaginar como se conectan.

La fuente veo que la tienes clara, así como el cableado del bus.

El primero tiene toda la pinta de ser un regulador de 4 canales. En principio necesita alimentación para cada canal y la salida al punto de luz. Si te fijas bién, tanto los dos bornes de fase como los de neutro están puenteados para que los puedas usar como conexión para enviar el neutro a la lámpara.

Es segundo y el tercero parecen modulos de interruptor de 4 canales, aunque en el dibujo marca 8. En principio le das fase y la salida a la lámpara.

El cuarto parece un regulador de 4 canales. Lo mismo que el primero lo alimentas y en este caso la salida es parecida a los modulos de interruptores. Les das fase y retorno de lámpara.

Ten en cuenta que cada canal es independiente y lo puedes alimentar con un circuito diferenta cada uno.

Yo sólo te he cableado una o dos salidas de cada uno, el resto es similar.

Lo que me extraña es que no venga el manual con el actuador, si lo tienes me lo podrías pasar y verifico lo que te he dicho ya que como te he comentado, con Schneider no he trabajado.

Espero que te sirva, aún así te recomiendo que lo compruebes bién antes.
Adjuntos
CUADRO%20%20KNX.jpg


En preguntar lo que sabes el tiempo no has de perder y a preguntas sin respuesta, ¿quién te puede responder?

http://juganett.blogspot.com/
 
overclocking83
Usuario novato
Usuario novato
Autor del tema
Mensajes: 21
Registrado: 02 Jul 2011, 14:35

Re: CONEXIONES CUADRO DOMOTICO

25 Jul 2011, 23:20

juganett escribió:
Aunque no he trabajado con la marca schneider en el tema del KNX mas o menos puedo imaginar como se conectan.

La fuente veo que la tienes clara, así como el cableado del bus.

El primero tiene toda la pinta de ser un regulador de 4 canales. En principio necesita alimentación para cada canal y la salida al punto de luz. Si te fijas bién, tanto los dos bornes de fase como los de neutro están puenteados para que los puedas usar como conexión para enviar el neutro a la lámpara.

Es segundo y el tercero parecen modulos de interruptor de 4 canales, aunque en el dibujo marca 8. En principio le das fase y la salida a la lámpara.

El cuarto parece un regulador de 4 canales. Lo mismo que el primero lo alimentas y en este caso la salida es parecida a los modulos de interruptores. Les das fase y retorno de lámpara.

Ten en cuenta que cada canal es independiente y lo puedes alimentar con un circuito diferenta cada uno.

Yo sólo te he cableado una o dos salidas de cada uno, el resto es similar.

Lo que me extraña es que no venga el manual con el actuador, si lo tienes me lo podrías pasar y verifico lo que te he dicho ya que como te he comentado, con Schneider no he trabajado.

Espero que te sirva, aún así te recomiendo que lo compruebes bién antes.


Antes de nada gracias por la molestia de mostrarme las conexiones.

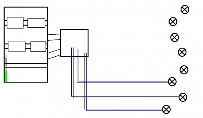
Tengo los manuales de los actuadores, pero comentarte que todo el tema de las luces los tengo llevados directamente a una caja de registro, T F y N al cuadro, y de alli pensaba llevarlos a los actuadores. Te adjunto los esquemas asi como la forma en la que tengo llevados los hilos de la luminarias, hay es donde se me crean las dudas de conexionado, con las fases y neutros.
Adjuntos
Conexiones knx1.jpeg
actuador reg universal 150w.jpg
actuador reg universal 250w.jpg
actuador binario de 10A.jpg
actuador binario de 10A.jpg (23.06 KiB) Visto 10353 veces


 
Avatar de Usuario
juganett
Usuario experto
Usuario experto
Mensajes: 929
Registrado: 18 Abr 2011, 07:31
Ubicación: Denia
Contactar:

Re: CONEXIONES CUADRO DOMOTICO

26 Jul 2011, 00:26

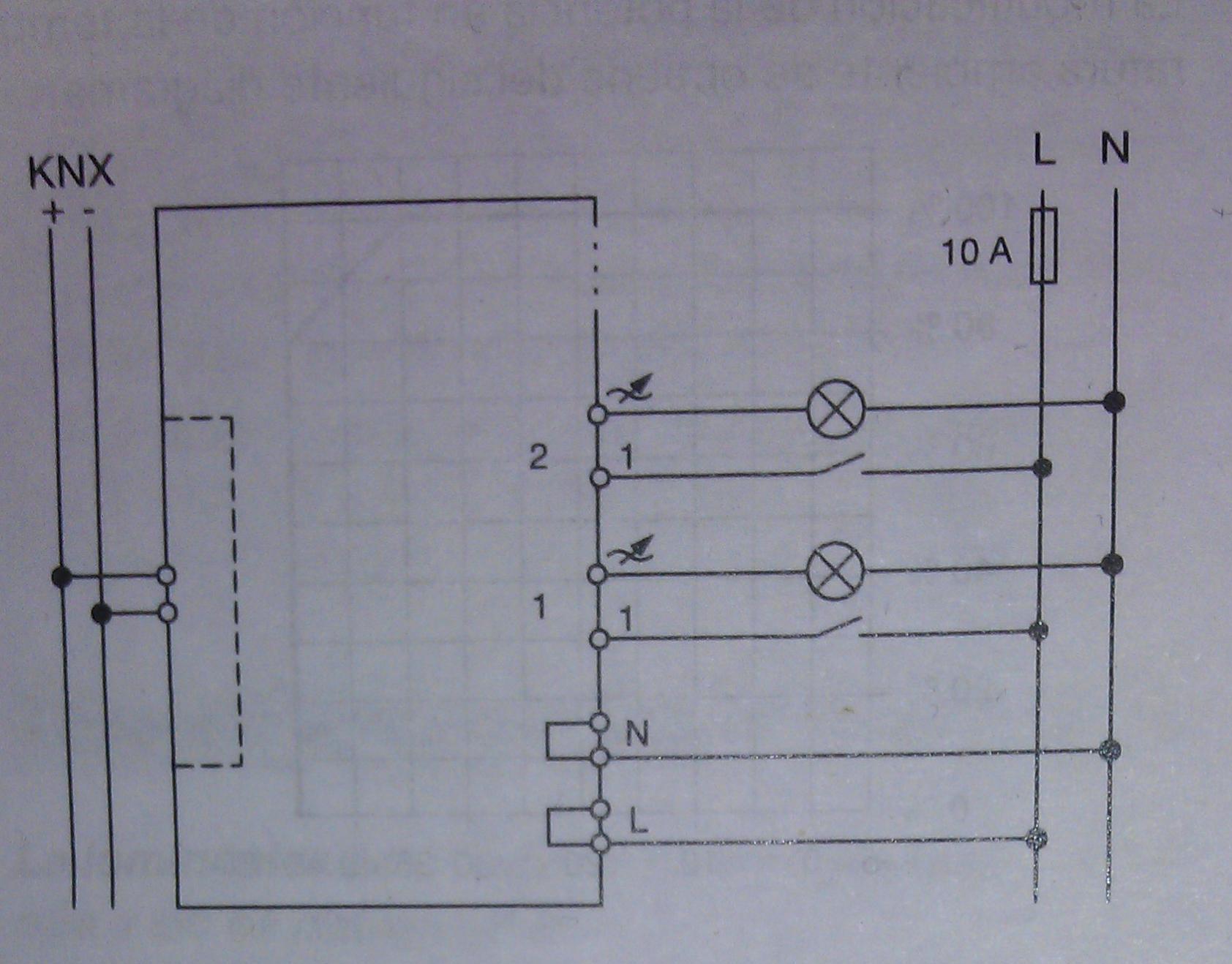
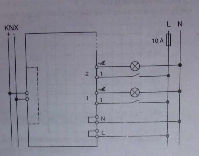
Por los esquemas que mandas, veo que las conexiones son como pensaba.

Lo que tienes que hacer, suponiendo que sólo tengas un circuito de alumbrado, es empalmar todos los neutros juntos en una ficha de empalme, junto al neutro de alimentación y uno que sacas para alimentar a los actuadores reguladores, que iras puenteando entre ellos (el borne N).

También tendrás que llevar fase de alimentación de los actuadores reguladores y para todos los comunes, tanto regulados como de interruptor (el borne L). Lo mismo que con el neutro, llegarás a uno e irás puenteando de uno a otro.

El que me genera la duda es el de la foto 1, ya que al parecer dibuja un interruptor cortando la alimentación de la fase, ¿me podrías pasar la referencia para ver si encuentro algo?.

Luego tienes que coger los diferentes retornos de las luminarias y llevar cada uno de los encendidos a su correspondiente actuador.

Espero haberme explicado lo suficiente para que lo puedas entender ya que es muy dificil indicar con palabras la conexión.


En preguntar lo que sabes el tiempo no has de perder y a preguntas sin respuesta, ¿quién te puede responder?

http://juganett.blogspot.com/
 
overclocking83
Usuario novato
Usuario novato
Autor del tema
Mensajes: 21
Registrado: 02 Jul 2011, 14:35

Re: CONEXIONES CUADRO DOMOTICO

26 Jul 2011, 00:36

juganett escribió:
Por los esquemas que mandas, veo que las conexiones son como pensaba.

Lo que tienes que hacer, suponiendo que sólo tengas un circuito de alumbrado, es empalmar todos los neutros juntos en una ficha de empalme, junto al neutro de alimentación y uno que sacas para alimentar a los actuadores reguladores, que iras puenteando entre ellos (el borne N).

También tendrás que llevar fase de alimentación de los actuadores reguladores y para todos los comunes, tanto regulados como de interruptor (el borne L). Lo mismo que con el neutro, llegarás a uno e irás puenteando de uno a otro.

El que me genera la duda es el de la foto 1, ya que al parecer dibuja un interruptor cortando la alimentación de la fase, ¿me podrías pasar la referencia para ver si encuentro algo?.

Luego tienes que coger los diferentes retornos de las luminarias y llevar cada uno de los encendidos a su correspondiente actuador.

Espero haberme explicado lo suficiente para que lo puedas entender ya que es muy dificil indicar con palabras la conexión.



Schneider MTN649315 REG-K/4x230/150W


 
talavera de la reina
Usuario novato
Usuario novato
Mensajes: 45
Registrado: 12 Jul 2011, 21:29

Re: CONEXIONES CUADRO DOMOTICO

26 Jul 2011, 13:05

si lo quieres ver los esquemas es muy facil en este mismo foro abajo pone schneider pues pincha en el y luego pones en el buscador REG-K y te salen todos los modulos pincha en el y se te descarga en modo pdf los esquemas de conexion es decir todo el manual de instruciones del mismo. por ejemplo http://www.global-download.schneider-el ... 1_0_es.pdf
.otra cosa a que llamais FICHAS es a las regletas de conexion??. un saludo