Foro de discusión, ayuda y aprendizaje de electricidad doméstica e industrial, documentación técnica, averías, cursos, normativa, software técnico, bajo consumo, reparación de electrodomésticos, instalaciones singulares de imagen y sonido..

Bienvenido a foroelectricidad.com.

Somos una comunidad de profesionales y aficionados al mundo de la electricidad.

Para participar, puedes registrarte en la comunidad y en pocos clicks podrás disfrutar de todas las características del foro. También te recomendamos que te pases por las Normas del foro, y si tienes alguna duda del funcionamiento del mismo puedes consultar el FAQ o ponerte en contacto con nosotros.

El Equipo de Foroelectricidad.com

 
tello
Usuario novato
Usuario novato
Autor del tema
Mensajes: 22
Registrado: 16 Nov 2011, 17:15

conectar un presostato a una instacion de contactores

16 Nov 2011, 17:25

hola tengo una duda tengo un compresor con motor trifasico y le montado un cuadro con un contactor , 1 rele termico y sus pulsadores marcho paro , pero no se donde se conecta el presostato para que pare automatico


 
Avatar de Usuario
juganett
Usuario experto
Usuario experto
Mensajes: 929
Registrado: 18 Abr 2011, 07:31
Ubicación: Denia
Contactar:

Re: conectar un presostato a una instacion de contactores

18 Nov 2011, 19:59

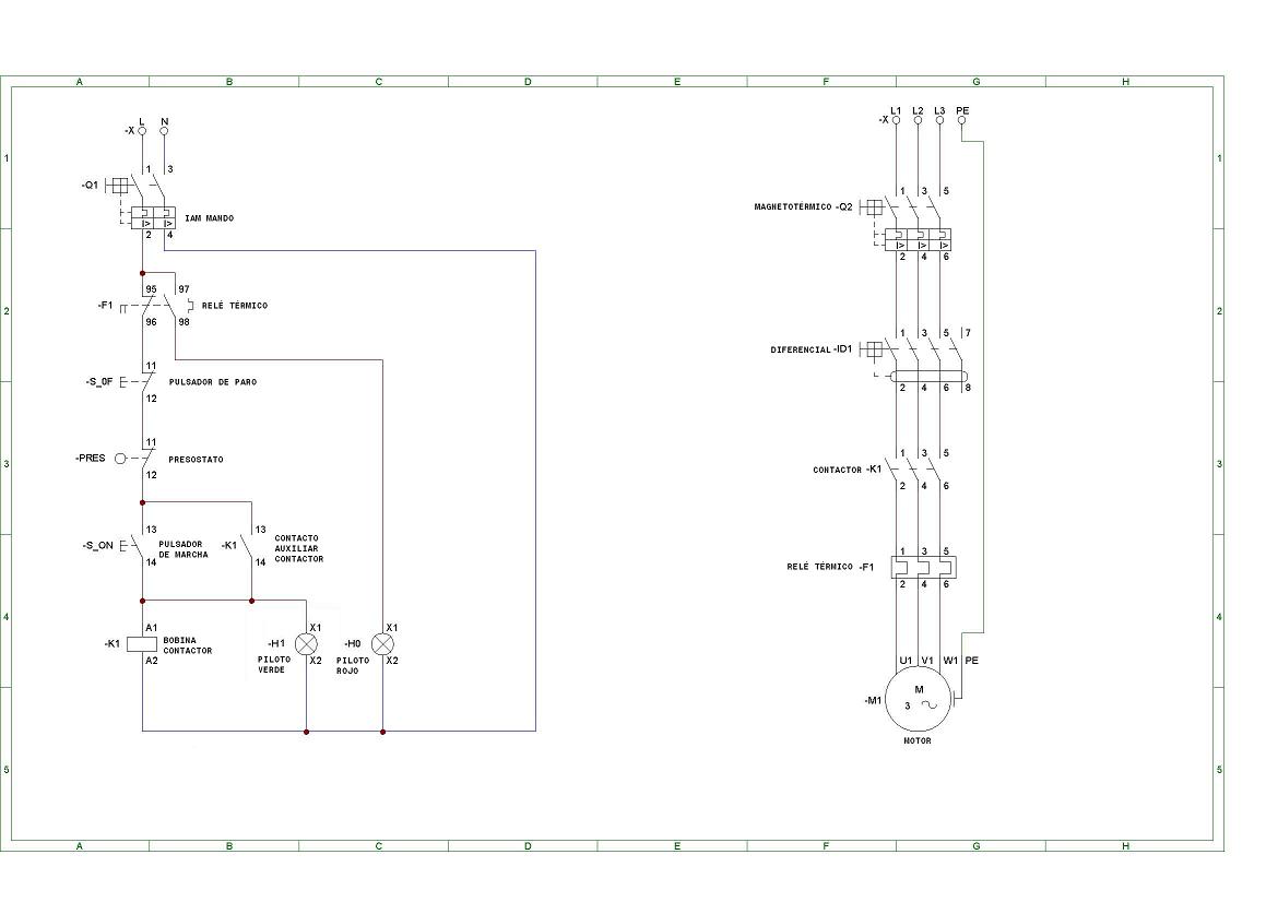
Te paso un esquema que acabo de hacer.
Adjuntos
Paro marcha motor.jpg


En preguntar lo que sabes el tiempo no has de perder y a preguntas sin respuesta, ¿quién te puede responder?

http://juganett.blogspot.com/
 
tello
Usuario novato
Usuario novato
Autor del tema
Mensajes: 22
Registrado: 16 Nov 2011, 17:15

Re: conectar un presostato a una instacion de contactores

19 Nov 2011, 00:52

wenas e montado el esquema arranca con el pulsador pero cuando se abre el contacto del presostato se para la instalacion y cuando el compresor se baja de presion el presostato cierra el contacto pero no se arranca el motor komo debo acerlo pa volver arrancar tengo ke darle de nuevo al pusaldor y lo ke kiero una vez ke lo arranque con el pulsador kiero que funcione ke aga la maniobra de arrancada y parada el presostato juganett gracias x el esquema


 
Avatar de Usuario
juganett
Usuario experto
Usuario experto
Mensajes: 929
Registrado: 18 Abr 2011, 07:31
Ubicación: Denia
Contactar:

Re: conectar un presostato a una instacion de contactores

20 Nov 2011, 11:41

Entonces sobran el pulsador NA, el pulsador NC y el contacto auxiliar del contactor. En lugar del pulsador NA montas un interruptor NA y listo.

Saludos.


En preguntar lo que sabes el tiempo no has de perder y a preguntas sin respuesta, ¿quién te puede responder?

http://juganett.blogspot.com/
 
tello
Usuario novato
Usuario novato
Autor del tema
Mensajes: 22
Registrado: 16 Nov 2011, 17:15

Re: conectar un presostato a una instacion de contactores

22 Nov 2011, 12:27

muchas gracias juaganeettt por la informacio