Foro de discusión, ayuda y aprendizaje de electricidad doméstica e industrial, documentación técnica, averías, cursos, normativa, software técnico, bajo consumo, reparación de electrodomésticos, instalaciones singulares de imagen y sonido..

Bienvenido a foroelectricidad.com.

Somos una comunidad de profesionales y aficionados al mundo de la electricidad.

Para participar, puedes registrarte en la comunidad y en pocos clicks podrás disfrutar de todas las características del foro. También te recomendamos que te pases por las Normas del foro, y si tienes alguna duda del funcionamiento del mismo puedes consultar el FAQ o ponerte en contacto con nosotros.

El Equipo de Foroelectricidad.com

 
anfert40
Usuario novato
Usuario novato
Autor del tema
Mensajes: 7
Registrado: 22 Oct 2011, 22:58

conectar motor trifasico

25 Oct 2011, 23:51

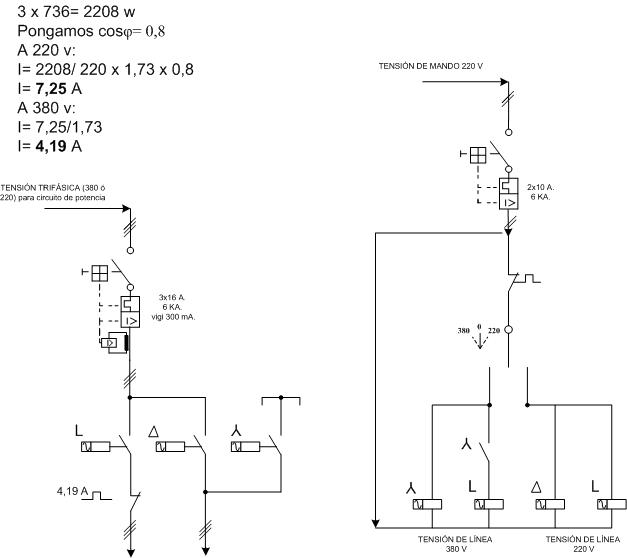
si coloco un diferencial,un guarda motor,un inversor y un conmutador estrella triangulo puedo hacer que funcione tanto a380 comoa 220 trifasico sin problema?.como es equipo movil depende de lo que halla. el motor es de3cv funcionara en estrella cuando halla 380 y en trianguloa 220?que amperaje seria necesario .? gracias si e ayudais si no tambien


 
Avatar de Usuario
J.A.
Usuario habitual
Usuario habitual
Mensajes: 208
Registrado: 12 Nov 2009, 08:39

Re: conectar motor trifasico

26 Oct 2011, 22:30

Coloca el relé térmico bajo el contactor de línea calculándolo a 380 v.
La intensidad del diferencial da un poco igual (menos de 25 no lo vas a poner, mira el mercado).
Un saludo...


 
anfert40
Usuario novato
Usuario novato
Autor del tema
Mensajes: 7
Registrado: 22 Oct 2011, 22:58

Re: conectar motor trifasico

27 Oct 2011, 01:14

gracias mas claro el agua,aqui estaremos para lo poco que se ,y tambien para lo mucho que me lio


 
Avatar de Usuario
J.A.
Usuario habitual
Usuario habitual
Mensajes: 208
Registrado: 12 Nov 2009, 08:39

Re: conectar motor trifasico

27 Oct 2011, 22:45

Creo que te puede valer. No creo que tengas problemas con el automático de potencia; de todos modos ponlo con curva D.
Un saludo...
Adjuntos
motor.jpg
motor.jpg (29.52 KiB) Visto 9078 veces


 
anfert40
Usuario novato
Usuario novato
Autor del tema
Mensajes: 7
Registrado: 22 Oct 2011, 22:58

Re: conectar motor trifasico

31 Oct 2011, 03:23

J.A. escribió:
Creo que te puede valer. No creo que tengas problemas con el automático de potencia; de todos modos ponlo con curva D.
Un saludo...


 
Avatar de Usuario
J.A.
Usuario habitual
Usuario habitual
Mensajes: 208
Registrado: 12 Nov 2009, 08:39

Re: conectar motor trifasico

02 Nov 2011, 20:47

Creo que ahora sí. Espero que las pestañas sigan en su sitio.
Un saludo...
Adjuntos
motor.jpg
motor.jpg (29.56 KiB) Visto 9045 veces


 
anfert40
Usuario novato
Usuario novato
Autor del tema
Mensajes: 7
Registrado: 22 Oct 2011, 22:58

Re: conectar motor trifasico

02 Nov 2011, 21:28

creo que te doy algun quebradero de cabeza debido a mis dudas,ahora pienso que es el esquema de la derecha ,pero puede ser que le falte una rallita para que sea trifasico?


 
Avatar de Usuario
J.A.
Usuario habitual
Usuario habitual
Mensajes: 208
Registrado: 12 Nov 2009, 08:39

Re: conectar motor trifasico

04 Nov 2011, 20:06

Hola; el esquema de la izquierda es el circuito de potencia y el de la derecha, el de mando.
Perdóname, pero creo que te estás metiendo en camisa de once varas.
No te molestes si te digo ésto pero si no tienes claro estos temas deberías empezar por cosas mas sencillas.
Sobre todo ten cuidado con las chispas, ya me entiendes.
Un saludo...


 
anfert40
Usuario novato
Usuario novato
Autor del tema
Mensajes: 7
Registrado: 22 Oct 2011, 22:58

Re: conectar motor trifasico

05 Nov 2011, 10:47

de ninguna manera,gracias por tus consejos


 
anfert40
Usuario novato
Usuario novato
Autor del tema
Mensajes: 7
Registrado: 22 Oct 2011, 22:58

Re: conectar motor trifasico

14 Nov 2011, 21:35

puedo efectuar el arranque directo desde un guardamotor,conectando mediante un mando manual en triangulo si la tension es de 220 y en estrella si es de 380?