Foro de discusión, ayuda y aprendizaje de electricidad doméstica e industrial, documentación técnica, averías, cursos, normativa, software técnico, bajo consumo, reparación de electrodomésticos, instalaciones singulares de imagen y sonido..

Bienvenido a foroelectricidad.com.

Somos una comunidad de profesionales y aficionados al mundo de la electricidad.

Para participar, puedes registrarte en la comunidad y en pocos clicks podrás disfrutar de todas las características del foro. También te recomendamos que te pases por las Normas del foro, y si tienes alguna duda del funcionamiento del mismo puedes consultar el FAQ o ponerte en contacto con nosotros.

El Equipo de Foroelectricidad.com

 
misil2004
Usuario novato
Usuario novato
Autor del tema
Mensajes: 5
Registrado: 24 Sep 2011, 20:46

identificacion de fases bomba trifasica para estrella-triang

24 Sep 2011, 20:58

Buenas,
Tengo un problemon. Resulta que han cambiado el motor de una bomba, llega el motor nuevo se acopla y a la hora de conectar resulta que tengo dos mazos de 3 cables todos negros sin ninguna clase de marca. Solo dispongo de un tester y necesito identificar las tres fases de linea y las tres del estrella-triangulo. No puedo timbrar desde la maniobra. Ayuda, porfavor, me juego el puesto.

Muchas gracias.


 
Avatar de Usuario
kelokotio
Usuario avanzado
Usuario avanzado
Mensajes: 348
Registrado: 31 Ene 2011, 17:25
Ubicación: Las Palmas Gran Canaria
Contactar:

Re: identificacion de fases bomba trifasica para estrella-tr

24 Sep 2011, 21:10

Hola a ver si me acuerdo :lol: ..hace tiempo que no hago eso..a ver coje el tester un cable cualquiera..y busca otro que te de continuidad,asi los otros dos..ya tienes las tres bobinas..es decir tres pares no??bueno marcalos un trozo de cinta un par dos trozos segundo par y tres el tercero..jejeje asi lo hago yo..creo que no tiene nada que ver,pero que la linea entre por u-v -w los otros tres los metes en el contactor de estrella,yo lo hacia así si algun compañero tiene otra idea mejor u otra forma mas rapida mejor ..saludos...ah y luego ver el sentido de giro..pero ese ya sabes que se corrige cambiando una de las fase de sitio en la entrada..o linea..suerte


 
Avatar de Usuario
juganett
Usuario experto
Usuario experto
Mensajes: 929
Registrado: 18 Abr 2011, 07:31
Ubicación: Denia
Contactar:

Re: identificacion de fases bomba trifasica para estrella-tr

25 Sep 2011, 10:03

kelokotio escribió:
Hola a ver si me acuerdo :lol: ..hace tiempo que no hago eso..a ver coje el tester un cable cualquiera..y busca otro que te de continuidad,asi los otros dos..ya tienes las tres bobinas..es decir tres pares no??bueno marcalos un trozo de cinta un par dos trozos segundo par y tres el tercero..jejeje asi lo hago yo..creo que no tiene nada que ver,pero que la linea entre por u-v -w los otros tres los metes en el contactor de estrella,yo lo hacia así si algun compañero tiene otra idea mejor u otra forma mas rapida mejor ..saludos...ah y luego ver el sentido de giro..pero ese ya sabes que se corrige cambiando una de las fase de sitio en la entrada..o linea..suerte


Me parece una explicación de la manera de hacerlo perfecta.

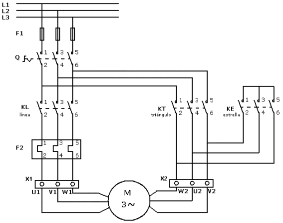
Yo por mi parte, para complementar la explicación aportaré la parte visual de la misma, para que no se diga :lol: .
Adjuntos
Estrella triangulo.png
Estrella triangulo.png (13.53 KiB) Visto 16837 veces


En preguntar lo que sabes el tiempo no has de perder y a preguntas sin respuesta, ¿quién te puede responder?

http://juganett.blogspot.com/
 
misil2004
Usuario novato
Usuario novato
Autor del tema
Mensajes: 5
Registrado: 24 Sep 2011, 20:46

Re: identificacion de fases bomba trifasica para estrella-tr

25 Sep 2011, 18:23

Gracias a todos, pero creo que no me he explicado bien; mi problema es que los cables que vienen desde la caseta no tienen ningun tipo de marca y tengo que identificar cual grupo es el de linea o estrella-triangulo y ademas identificar L1,L2 Y L3 para no hacer un corto en el motor.

ESTOY PERDIDO !!


 
Avatar de Usuario
kelokotio
Usuario avanzado
Usuario avanzado
Mensajes: 348
Registrado: 31 Ene 2011, 17:25
Ubicación: Las Palmas Gran Canaria
Contactar:

Re: identificacion de fases bomba trifasica para estrella-tr

25 Sep 2011, 19:30

Hola..sigue los cables con el tester..los que salen del contactor marcalos,y como te hemos dicho,timbralos con el tester,divide tres y tres.. unos a linea y otros a contactor estrella,el de los puentes por lo alto..como en el esquema
Adjuntos
introd30.gif
introd30.gif (12.33 KiB) Visto 16828 veces


 
misil2004
Usuario novato
Usuario novato
Autor del tema
Mensajes: 5
Registrado: 24 Sep 2011, 20:46

Re: identificacion de fases bomba trifasica para estrella-tr

25 Sep 2011, 20:09

Siento ser tan pesado, pero lo que me estais diciendo lo tengo claro, ahora bien, imaginaros, estoy en la caseta de la bomba y tengo dos mazos de tres cables, todos negros y que no puedo timbrar desde la maniobra por estar en una zona de acceso restringido ( no puedo decir más).

El ingeniero de planta me ha dicho que es sencillo ¿? pero no lo tengo nada claro. Este individuo, por supuesto, no me quiere dar la solucion y me estoy volviendo loco.

Gracias de todas formas por vuestro interes.

SALU2.


 
Avatar de Usuario
kelokotio
Usuario avanzado
Usuario avanzado
Mensajes: 348
Registrado: 31 Ene 2011, 17:25
Ubicación: Las Palmas Gran Canaria
Contactar:

Re: identificacion de fases bomba trifasica para estrella-tr

25 Sep 2011, 20:39

Joder :lol: ese lo que es es un hijo :mrgreen: ..a ver si tengo 6 cables todos negros,sin marcar,contactores abiertos logicamente y si tension,es imposible saberlo porque puedes mezclar los de linea con los de la maniobra,sigo pensando que se nesecita timbrar, si no que lo haga el :shock: :shock: a ver como lo hace,sin marcas.. :P :P


 
Avatar de Usuario
juganett
Usuario experto
Usuario experto
Mensajes: 929
Registrado: 18 Abr 2011, 07:31
Ubicación: Denia
Contactar:

Re: identificacion de fases bomba trifasica para estrella-tr

26 Sep 2011, 14:48

misil2004 escribió:
y que no puedo timbrar desde la maniobra por estar en una zona de acceso restringido ( no puedo decir más).

Ya podrías haber comenzado por ahí y nos habríamos ahorrado tanta charla, que de nada ha servido.

misil2004 escribió:
El ingeniero de planta me ha dicho que es sencillo ¿? pero no lo tengo nada claro. Este individuo, por supuesto, no me quiere dar la solucion y me estoy volviendo loco.

Tiene tres opciones:
1_te dejan entrar para verificar
2_que por lo menos la ponga en marcha y podrás comprobar que fase es cual poniendo unas fichas de empalme en las puntas
3_ nanay, como dice kelo, que lo haga el si tan fácil lo vé, 6 conductores con los contactores habiertos y a ver cual es cual.

Saludos.


En preguntar lo que sabes el tiempo no has de perder y a preguntas sin respuesta, ¿quién te puede responder?

http://juganett.blogspot.com/
 
fjcr
Usuario novato
Usuario novato
Mensajes: 3
Registrado: 27 Sep 2011, 20:43

Re: identificacion de fases bomba trifasica para estrella-tr

27 Sep 2011, 20:59

hola soy nuevo en este foro,he leido leido tus comentarios y creo que sin la prueba de continuidad es practicamente imposible diferenciar los cables, excepto si conoces a alguien que posea un comprobador de instalaciones electricas Fluke 1653B con el podrias averiguar el orden de fases. http://www.fluke.com/Fluke/eses/Comprob ... ?PID=56025


 
fjcr
Usuario novato
Usuario novato
Mensajes: 3
Registrado: 27 Sep 2011, 20:43

Re: identificacion de fases bomba trifasica para estrella-tr

28 Sep 2011, 11:00

Tambien podrias hacer otra serie de comprobaciones aunque estas dependerá de si puedes o no realizar cortes de alimentación.
Lo primero que debes de hacer es poner bornas,regletas etc en cada uno de los cables, después, lo segundo seria separar los cables en 2 grupos de 3 , para separar los de línea de los que provienen de los contactores de arranque estrella-triangulo. Para ello deberías de accionar el circuito pulsando el pulsador de marcha y con un polímetro medir tensión entre ellos, solo puedes tener tensión entre 3 de ellos, (tensión de línea, 400v normalmente,si el sistema trifásico es 400/240) hazlo antes de que por temporización entre el contactor (triangulo) ya que en cuanto este entre tendras tambien tensión en los otros 3 cables, de esta forma tendras separado e identificado cuales son los ramales de línea y los que vienen de los contactores estrella/triangulo. Pulsa pulsador de paro.
Lo tercero seria identificar el orden de fases, para ello deberías buscar por donde entra la línea 3f+n que alimenta al cuadro (en una caja de registro,en otro cuadro eléctrico etc).
Una vez la tengas localizada tienes que desconectar 2 de las tres fases, dejando conectado el neutro y una de ellas ( esta fase tiene que ser la que alimenta a la maniobra).
Una vez echo todo esto vuelve a pulsar el pulsador de marcha y con la ayuda de un buscapolo toca cada una de las puntas de los 3 cables de línea ,se tiene que iluminar solamente con uno ya que los otros 2 estan desconectados ,asi tendremos localizada la primera fase L1. (esta medición la puedes hacer también entre tierra y fase o entre neutro y fase ,utilizando un alargo desde donde tengas el neutro , hasta donde esta la fase).
Ahora después de la temporización entrara el contactor en triangulo y haciendo la misma operación tendras localizada la primera fase del otro grupo de tres cables (la misma que la anterior).
Despues de esto ya solo nos queda que identificar otra de las fases para tenerlas todas identificadas.Para hacerlo conecta otra de las fases donde antes la habías soltado y con el buscapolo o polímetro identificala de la misma forma que antes,primero la de línea y luego la que viene de los contactores estrella/triangulo (con polímetro te tiene que dar 240v).Una vez identificada marcalas como L2 .Por eliminación la que nos queda será L3.
Otra posibilidad seria que la maniobra nos viniera de un magnetotermico de 10 a entonces la operación seria mas sencilla ya que solamente tendrías que desconectar las tres fases (circuito potencia) Y al pulsar el pulsador de marcha ir midiendo continuidad entre fases.