Foro de discusión, ayuda y aprendizaje de electricidad doméstica e industrial, documentación técnica, averías, cursos, normativa, software técnico, bajo consumo, reparación de electrodomésticos, instalaciones singulares de imagen y sonido..

Bienvenido a foroelectricidad.com.

Somos una comunidad de profesionales y aficionados al mundo de la electricidad.

Para participar, puedes registrarte en la comunidad y en pocos clicks podrás disfrutar de todas las características del foro. También te recomendamos que te pases por las Normas del foro, y si tienes alguna duda del funcionamiento del mismo puedes consultar el FAQ o ponerte en contacto con nosotros.

El Equipo de Foroelectricidad.com

 
operador323
Usuario novato
Usuario novato
Autor del tema
Mensajes: 7
Registrado: 20 Abr 2014, 22:11
Ubicación: Cáceres

fotocelulas e inductivos

20 Abr 2014, 22:23

Hola me gustaría saber como se conectan las fotocélulas y los inductivos. Y diferencia entre NPN y PNP. Mi nombre es Carlos.


 
Avatar de Usuario
Hefner
Usuario experto
Usuario experto
Mensajes: 5501
Registrado: 10 Mar 2012, 03:46

Re: fotocelulas e inductivos

21 Abr 2014, 06:00

Hola me gustaría saber como se conectan las fotocélulas y los inductivos. Y diferencia entre NPN y PNP. Mi nombre es Carlos.


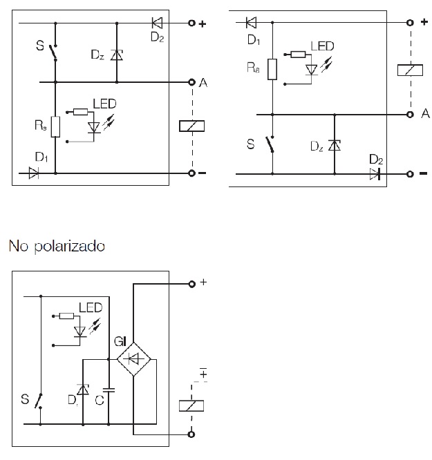
Depende de los hilos de conexión que tengan (2,3,4,5) pero lo básico es que tengan 3 hilos: 2 de ellos serían de alimentación y el otro de salida
Y aquí es donde interviene que sean PNP o NPN: si la salida es P quiere decir que la carga a comandar (relé, entrada de PLC) su común tiene que ser
N; y si la salida es N lo contrario. Lo puedes deducir en esta imagen

Un saludo
Adjuntos
conexion.jpg
conexion.jpg (50.33 KiB) Visto 4831 veces


 
operador323
Usuario novato
Usuario novato
Autor del tema
Mensajes: 7
Registrado: 20 Abr 2014, 22:11
Ubicación: Cáceres

Re: fotocelulas e inductivos

22 Abr 2014, 21:50

Lo entiendo así. Si la salida de la fotocélula es P quiere decir que para activar la bobina del relé el otro borne de la bobina tiene que ser negativo. Y en el otro caso positivo. Es así?


 
Avatar de Usuario
Hefner
Usuario experto
Usuario experto
Mensajes: 5501
Registrado: 10 Mar 2012, 03:46

Re: fotocelulas e inductivos

22 Abr 2014, 22:08

Lo entiendo así. Si la salida de la fotocélula es P quiere decir que para activar la bobina del relé el otro borne de la bobina tiene que ser negativo. Y en el otro caso positivo. Es así?


¡Exacto! Pero decirte que eso de los inductivos "es un mundo": siempre tendrás que tener a mano la hoja de características, pues los hay que si
inviertes la tensión cambia el tipo de contacto (de NO a NC o viceversa-el contacto de salida puede ser de los 2 tipos-) y también tienes que saber la intensidad que consume el relé, pues no todos son capaces de dar los mA necesarios para excitarlos. Tampoco te puedes fiar del número de pines del conector (los hay que tienen 3 y en cambio son de 2 hilos)
y tampoco de su cableado al sustituirlos por otros (según el fabricante las alimentaciones van a bornes diferentes)...

Un saludo


 
Avatar de Usuario
Borch206
Usuario experto
Usuario experto
Mensajes: 899
Registrado: 21 Oct 2013, 03:37
Ubicación: Álava

Re: fotocelulas e inductivos

23 Abr 2014, 00:28

Los inductivos más fáciles de instalar son los de dos hilos, funcionan como un interruptor... Fotocelulas sólo he visto de 3 que yo recuerde... Tanto industriales como en vivienda...


Borja


 
operador323
Usuario novato
Usuario novato
Autor del tema
Mensajes: 7
Registrado: 20 Abr 2014, 22:11
Ubicación: Cáceres

Re: fotocelulas e inductivos

23 Abr 2014, 22:19

Muchas gracias. Me voy enterando del tema.