llamame como quieras, no te he discutido.
solo que estaba empecinado en hacerselo el mismo con un potenciometro y le he dicho.
( eso si, no me llames ni Felipe ni Froilán que ahi si me saco )
NUNCA use ni me meti con algo de eso que anda entre 4 a 30 mA Y NO ME DA EMPACHO EN DECIRLO y como nunca me he metido, pues nada, no me meto, solo comento un tema de potenciometro y de mA , nada mas) .
que si hay UN rubro en el que no me ando metiendo desde hace rato es en el deAVENTURERO, que hay mucha competencia....... solo por eso .
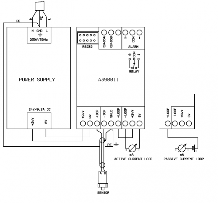
La "analógica" (señales de mA, mV, etc) sobrepasan el campo de actuación del electricista, y pertenecen al campo de
la INSTRUMENTACIÓN (de procesos). Por tanto un electricista "de vivienda" no tiene porque saber de ello. Diferente
sería si lo fuese a nivel industrial ya que ahí si que estaría englobado. Por tanto, Fernando, que no te cause ningún
trauma el no saber de qué va el asunto. Eso sí, si lo conocieras harías todo lo posible para trabajar siempre en ese campo
(el de la Instrumentación) pues es muy gratificante, aunque el control de procesos se las trae...
Un saludo





