Foro de discusión, ayuda y aprendizaje de electricidad doméstica e industrial, documentación técnica, averías, cursos, normativa, software técnico, bajo consumo, reparación de electrodomésticos, instalaciones singulares de imagen y sonido..

Bienvenido a foroelectricidad.com.

Somos una comunidad de profesionales y aficionados al mundo de la electricidad.

Para participar, puedes registrarte en la comunidad y en pocos clicks podrás disfrutar de todas las características del foro. También te recomendamos que te pases por las Normas del foro, y si tienes alguna duda del funcionamiento del mismo puedes consultar el FAQ o ponerte en contacto con nosotros.

El Equipo de Foroelectricidad.com

Reglas del Foro
Nota importante:

Toda ayuda aportada por otros usuarios es meramente informativa. Por favor, si no dominas la electricidad busca la ayuda de un profesional para evitar accidentes.
 
mamellao
Usuario novato
Usuario novato
Autor del tema
Mensajes: 10
Registrado: 07 Nov 2013, 15:58
Ubicación: Badajoz

Invertir motor

29 Nov 2014, 14:59

Hola buenas tardes hace tiempo que no paso por aqui, os cuento un poco mi problema, tengo una maquina de amasar carne trifasica a 400V y quiero pasarla a 230V con condensador, esto parece facil el problema es que tengo invertirle el sentido de giro para que gire tanto a derecha como a izquierda, quien me puede pasar un esquema?


 
Avatar de Usuario
Gambier39
Usuario avanzado
Usuario avanzado
Mensajes: 268
Registrado: 04 Dic 2011, 09:55
Ubicación: Barcelona

Re: Invertir motor

29 Nov 2014, 18:07

Hola a tod@s.

Imagino que aparte de saber colocar el condensador, también sabrás a lo que te expones realizando este montaje:

Peligro de dañar el motor por sobre-intensidad
-Una reducción aproximada al 60% de la potencia nominal
-Un aumento del consumo de corriente.
-Ruidos y vibraciones anormales, dadas por el desequilibrio entre fases.

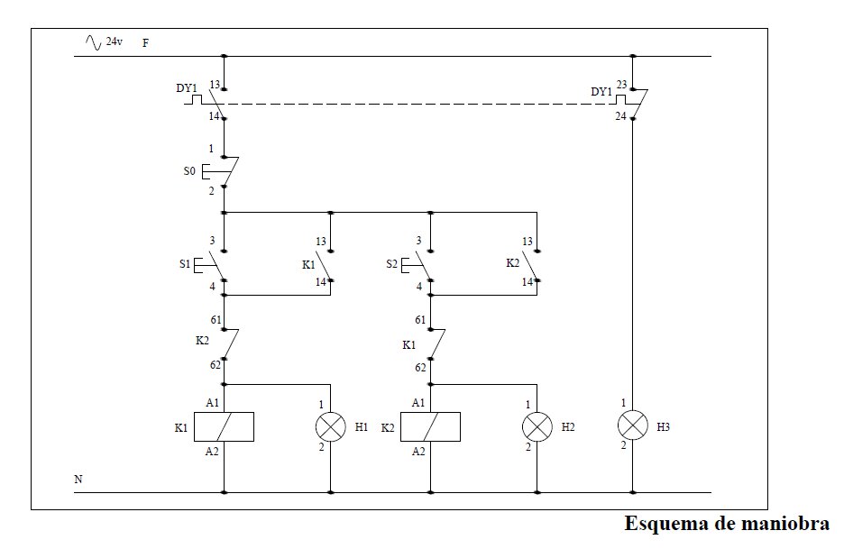
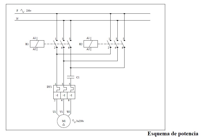
Una vez advertido, aquí tienes el esquema de maniobra y potencia:

Mono Tri Inv maniobra.jpg


Tri mono inv potencia.jpg



Saludos


 
mamellao
Usuario novato
Usuario novato
Autor del tema
Mensajes: 10
Registrado: 07 Nov 2013, 15:58
Ubicación: Badajoz

Re: Invertir motor

29 Nov 2014, 18:24

Gracias de antemano, se a lo que me expongo y por desgracia es como tu cuentas, segun el esquema que me as dado ¿ se invierten asin las fases? ¿ como va conectado al bobinado?


 
Avatar de Usuario
Gambier39
Usuario avanzado
Usuario avanzado
Mensajes: 268
Registrado: 04 Dic 2011, 09:55
Ubicación: Barcelona

Re: Invertir motor

29 Nov 2014, 19:00

Hola a tod@s

Efectivamente. De esta manera se invierten las fases.

Las conexiones del motor se tienen que hacer en triángulo por medio de pletinas:

Pletinas.jpg
Pletinas.jpg (13.2 KiB) Visto 4264 veces


Si nunca has trabajado con motores, mejor que te dimensione el cuadro eléctrico un profesional.


Saludos